Program de Sărbători – AirGuru În intervalul 24 decembrie 2025 – 7 ianuarie 2026, echipa AirGuru se află în concediu. Revenim la program normal pe 8 ianuarie 2026, când reluăm procesarea comenzilor și suportul tehnic. Vă mulțumim pentru înțelegere.

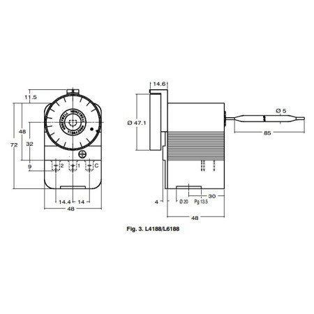
Termostat de imersie directa - Honeywell - L4188A2015

Honeywell - USA
235,39 Lei

Garanţie: 24 luni

In stoc
Limita stoc
Adauga in cos
Cod Produs: HL27722 Ai nevoie de ajutor? 0215553609 / 0753 192222
Adauga la Favorite Cere informatii
  • Descriere
  • Caracteristici
  • Download (1)
  • Review-uri (0)
Termostate de cazan cu functionare on/off destinate instalatiilor de incalzire din aplicatiile comerciale si domestice. Rozeta de reglaj cu pozitie inchis (la capatul minim de scala).

Gama de lucru in °C  -  25...95
Teaca de imersie  -     -
Sensibilitate (diferential)  -  4k fixa

Aprobat standard : - DIN TR 51388.
Tip contact: - basculant (SPDT) seria L6188, - intrerupator (SPST) seria L4188
Capacitate comutare: - borna 1 – 10(2,5)A/250V, - borna 2 – 4(1)A/250V

Rearmare: - automata la seria L4188A, L6188A,
- manuala la seria L6188C
Reglare: - externa la modelele cu rearmare automata,
- interna, mascata de capac la modelele cu rearmare manuala

Element sensibil: - bulb cu lichid
NOTa: - livrat fara presetupa, fara teaca de imersie
Teaca de imersie seria AquaStat  Cod 45900409  - 9 Euro
   Lungime 105mm |  Racord Rp 1/2"  | Termostate Compatibile (L4188,L6188,L6189)

Producator: - Honeywell, fabricat in Cehia.
Informatii conformitate produs

Detalii:

  • Termostat de imersie directa - Honeywell

    Descarca
Daca doresti sa iti exprimi parerea despre acest produs poti adauga un review.

Review-ul a fost trimis cu succes.

Compara produse

Trebuie sa mai adaugi cel putin un produs pentru a compara produse.

A fost adaugat la favorite!

A fost sters din favorite!