Garanţie: 12 luni
Utilizare ventilator: Exhaustare bucatarii, Uz general / industrial
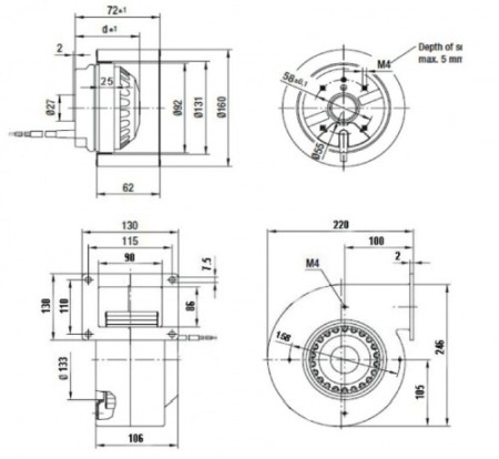
Alimentare electrica (V/Hz): 220V/50Hz
Debit aer ventilator (mc/h): 0 - 1000
Angrenare motor: Directa
Numar de viteze motor: 1
Cadru ventilator: Otel vopsit electrostatic
Etichete: ventilator centrifugal, ventilator de tubulatura, VENTILATOR CENTRIFUGAL DE TUBULATURA, VENTILATOARE CENTRIFUGALE DE TUBULATURA, VENTILATOR CENTRIFUGAL INDUSTRIAL PRET, VENTILATOARE CENTRIFUGALE, BR09E-2M 160, VENTILATOARE DE TUBULATURA
				Detalii: 
				
				
										
						
															
	
													
						
					
					
				
			



