Garanţie: 24 luni
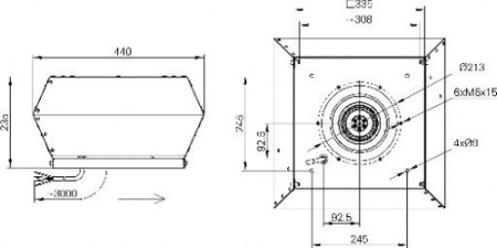
Debit aer (mc/h): Intre 1001-5000
Alimentare electrica (V/Hz): 220V/50Hz
Greutate (Kg): 24
Tip motor: AC
Detalii:





Fisa tehnica
Descarca