Garanţie: 24 luni
Debit aer (mc/h): Intre 5001-10000
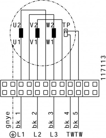
Alimentare electrica (V/Hz): 400V/50Hz
Greutate (Kg): 36.6
Tip motor: AC
Detalii:





Fisa tehnica
Descarca