Garanţie: 12 luni
Utilizare ventilator: Uz general / industrial
Alimentare electrica (V/Hz): 400V/50Hz
Debit aer ventilator (mc/h): 1001 - 5000
Cadru ventilator: Aluminiu
Angrenare motor: Directa
Tip rotor - palete: Orientate inainte
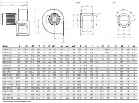
Detalii:





VENTILATOR INDUSTRIAL CENTRIFUGAL SODECA CMP
Descarca