Program de Sărbători – AirGuru În intervalul 24 decembrie 2025 – 7 ianuarie 2026, echipa AirGuru se află în concediu. Revenim la program normal pe 8 ianuarie 2026, când reluăm procesarea comenzilor și suportul tehnic. Vă mulțumim pentru înțelegere.

Ventilator in-line circular de tubulatura - RUCK - ETALIN - EL 630 E4 01 - 119324 - 2.140 W - 13940 mc/h - 230V/50Hz

Ruck - Germany

Garanţie: 24 luni

Cod Produs: RK10012 Ai nevoie de ajutor? 0215553609 / 0753 192222
  • Descriere
  • Caracteristici
  • Download (1)
  • Review-uri (0)
-ETALINE economisteste energie
-Motoarele ventilatoarelor sunt fabricate in Elvetia.
-Ventilatoarele sunt asamblate in Germania.
-Dimensiuni reduse.
-Presiuni disponibile mari
-Racordarea directa la tubulatura circulara
-Motorul este protejat in domeniul rotorului

Randamentul ventilatoarelor mai mare cu 50 %. Scaderea necesarului de energie cu 30 %. Protejarea mediului inconjurator. Reducerea bugetului necesar. In plus se pot alege adesea echipamente de control si reglaj cu o dimensiune mai mica.
Densitatea de putere ridicata a lui ETALINE duce la dimensiuni compacte - carcasa ventilatorului este corespunzatoare exact diametrului de conectare. Nu necesita spatiu aditional pentru montaj.
Circa 70 % pana la 90 % din costurile totale ale unui ventilator se datoreaza costurilor cu energia. Acestea sunt reduse cu peste 30 % cu ETALINE
Datele de putere neobisnuite, in special randamentul ridicat unic, se datoreaza conturului complex al paletelor si canalului median. Aceasta duce la o transformare de energie cu pierderi minime in ventilator.
Motoarele nu au influenta negativa asupra curgerii curentului de aer si sunt protejate de rotor. La anumite modele, motorul este complet separat de curentul de aer.
Include consola de montaj
Un suport de montaj este atasat la carcasa ventilatorului.
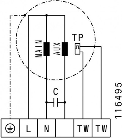
Informatii conformitate produs

Diametru ( mm ): 630

Debit aer (mc/h): Intre 10001-20000

Alimentare electrica (V/Hz): 220V/50Hz

Putere consumata (W): 2140

Rotatii/minut: 1370

Greutate (Kg): 43.1

Tip motor: AC

Detalii:

Daca doresti sa iti exprimi parerea despre acest produs poti adauga un review.

Review-ul a fost trimis cu succes.

Compara produse

Trebuie sa mai adaugi cel putin un produs pentru a compara produse.

A fost adaugat la favorite!

A fost sters din favorite!